MSc. Sergio Orendain

Investigador y autor de diversos artículos en el área de electrónica y telecomunicaciones.

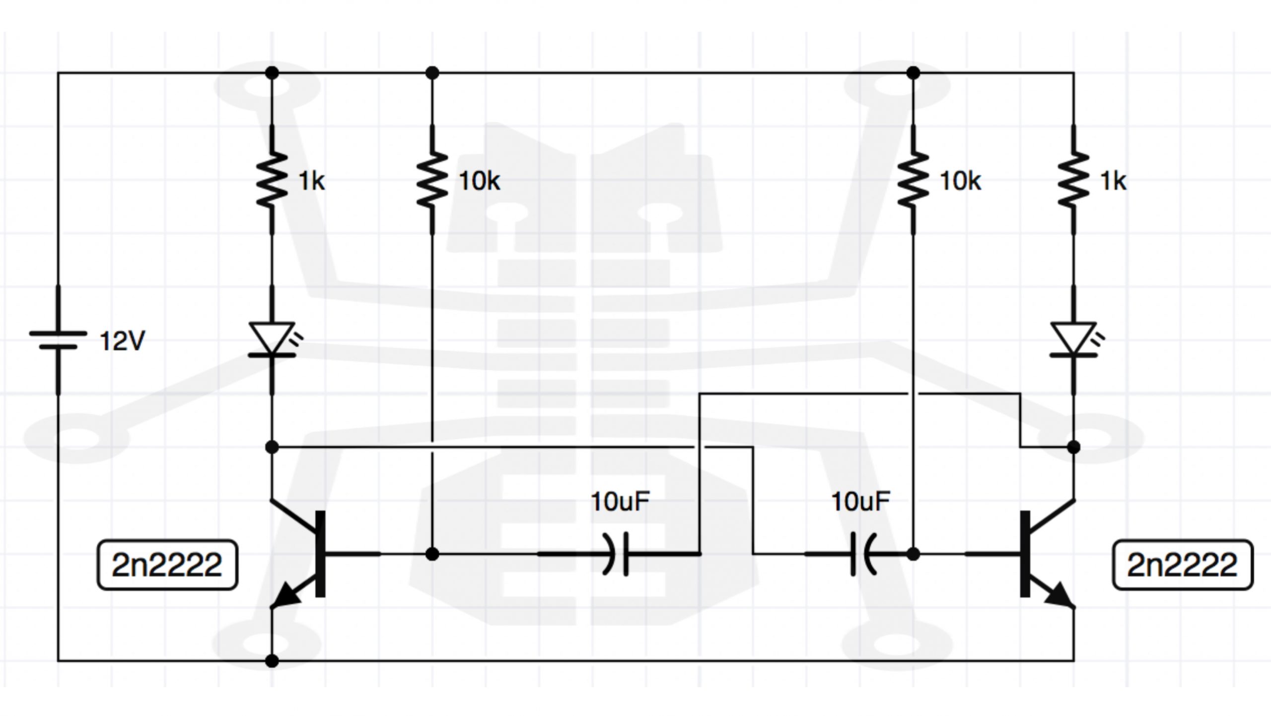
Oscilador con transistores

por | Mar 27, 2020 | DIAGRAMAS DE CIRCUITOS | 0 Comentarios

0 comentarios